Видеокамера IP 3Мп в термокожухе (5-50мм) - 40060 Тахион КС-4

Видеокамера IP 3Мп в термокожухе (5-50мм) - 40060 Тахион КС-4
Видеокамера IP 3Мп в термокожухе (5-50мм) - 40060 Тахион КС-4
Видеокамера IP 3Мп в термокожухе (5-50мм) - 40060 Тахион КС-4

Товарные предложения:

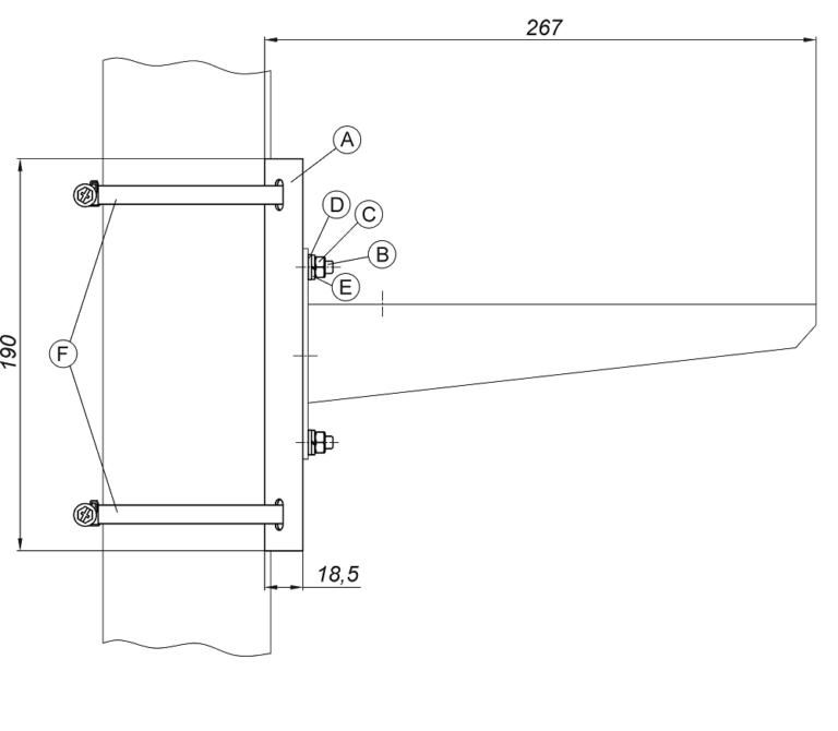
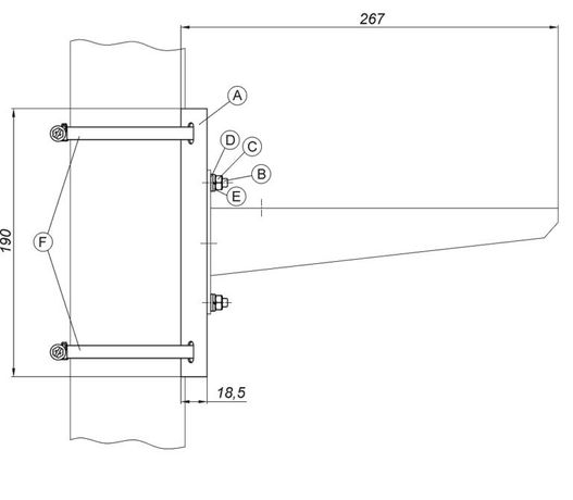
Кронштейн крепления видеокамер ТВК и термокожухов ТГБ из нержавеющей стали на опоры d115-135мм КС-4 Тахион 4006023.02.2026Под заказ 6 644,39 ₽

шт.
от 30 дней
15 лет на рынке
Более 10 000 довольных клиентов
Счёт за 15 минут
Ценим ваше время
Подбор аналогов
Поможем найти замену и аксессуары
Доставка по всей РФ
Бережная упаковка каждого заказа
Любая форма оплаты
Наличный и безналичный расчёт

Характеристики

Сертификаты

Характеристики c описанием

Цвет:

Белый

Тип изделия:

Кронштейн

Материал изделия:

Металл

Характеристики

Производитель/Бренд

Тахион

Артикул

40060

Сертификаты

PA08_B.89374.22

PDF